地址:江蘇省準安市淮陰工業園區錢江東路19號
聯系人:田先生
手機:13905236011
電子郵件:nora@sjhydraulic.com用途與特征
HM30多路換向閥是我單位自主設計開發的一種中高壓整體式多路換向閥??砂纯蛻粢笤陂y上設溢流閥、單向閥等。溢流閥可調節系統壓力,單向閥防止油液倒流,換向閥滑閥機能有A、O、Y、P等,可任意組合,換向手柄有兩種安裝形式,便于不同方向的操作,并采用并聯油路。經過特殊設計的密封方式,使閥的密封性能好。該閥廣泛用于叉車、環衛車輛、小型裝載機等工程機械的液壓系統性能好。該閥廣泛應用于叉車、環衛車輛、小型裝載機等工程機械的液壓系統。
性能參數

型號說明
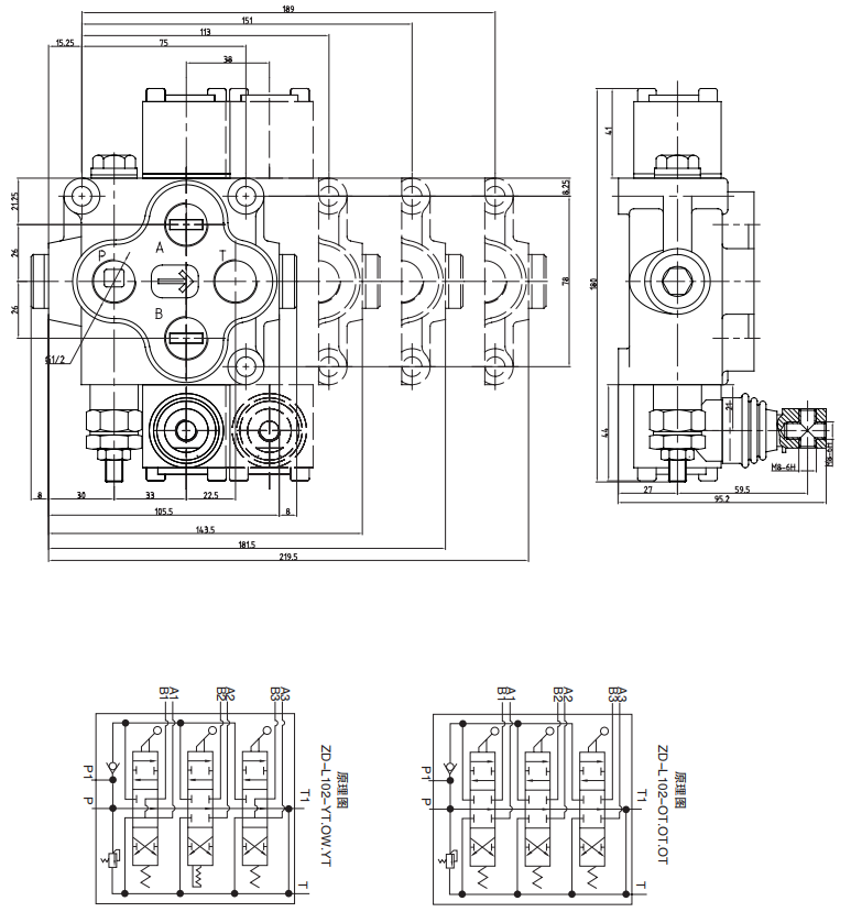
外形安裝連接尺寸
