地址:江蘇省準安市淮陰工業園區錢江東路19號
聯系人:田先生
手機:13905236011
電子郵件:nora@sjhydraulic.com用途與特征
HMP80系列整體式多路閥是我公司引進歐洲的一種中高壓整體式多路閥。可按客戶要求在閥上設溢流閥、單向閥。溢流閥可調節壓力,單向閥防止油液倒流。換向閥的滑閥機能有A,O,P,Y等,可任意組合,換向手柄有兩種安裝形式,便于不同方向的操作,該閥采用并聯或者串聯油路,設計有壓力輸出口與其他液壓元件相連接提供動力源。經過特殊設計的密封方式,使閥的密封性能好。該閥廣泛應用于叉車、環衛車輛、小型裝載機等工程機械的液壓系統。
型號說明

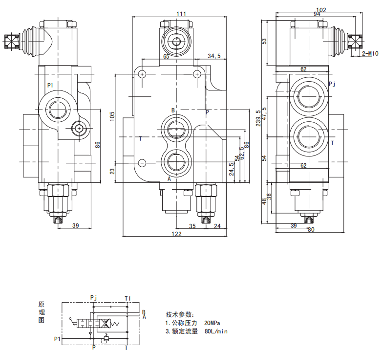
技術參數

外形安裝連接尺寸

2P80-OT-QT
P80-4OT4
P80一聯
P80-三聯
P80-五聯